
Напишите нам
sale@lscmagnetics.com
Контактный номер
+86 -13559234186
Электромагнитный сепаратор сухого типа серии RCDB (также известный как дисковый электромагнитный сепаратор серии PDC) широко используется в горнодобывающей промышленности, энергетике, металлургии, цементной промышленности, производстве строительных материалов, химической промышленности, керамики и обработке стекла. Обычно подвешенное над конвейерной лентой, устройство при включении генерирует мощное магнитное поле. Когда материал проходит под ним по ленте, частицы железа — включая гвозди, винты, шлак и различные фрагменты железа — мгновенно притягиваются к поверхности магнитного полюса сильной магнитной силой. При выключении или удалении захваченное железо автоматически отваливается, завершая цикл разделения.
Артикул № :
RCDB Suspended Electromagnetic SeparatorЗаказ (Минимальный заказ) :
1Происхождение продукта :
chinaВремя выполнения :
7-10daysПодвесной электромагнитный сепаратор железа RCDB
В современном промышленном производстве примеси железа в материалах не только ухудшают качество продукции, но и представляют серьезную угрозу для оборудования, используемого в дальнейшем, такого как дробилки, мельницы и конвейерные ленты. Подвесной электромагнитный сепаратор железа серии RCDB — это именно тот промышленный «очиститель» и «защитник оборудования», разработанный для решения этих задач. Приводимый в действие электромагнитным полем постоянного тока, этот прибор «извлекает железо на расстоянии», точно улавливая и удаляя примеси железа из немагнитных материалов, обеспечивая при этом чистоту продукции и безопасность оборудования.


I. Электромагнитный сепаратор RCDB: двойная защита для очистки продукта и безопасности оборудования.
Основная ценность электромагнитного устройства для удаления железа RCDB заключается в двух важнейших функциях:
Очистка материала: эффективно удаляет примеси железа из сырья, улучшая качество и чистоту продукции. Это крайне важно в керамической, стекольной, пищевой, химической и других отраслях промышленности, где необходимо получать продукцию без примесей.
Защита оборудования: Установленная перед дробилками, вальцовыми прессами и другим ключевым оборудованием, система RCDB предотвращает повреждение оборудования металлическими предметами и исключает продольные разрывы конвейерных лент. Она действительно действует как «защитный щит» для дробильного оборудования.
II. Ключевые технические преимущества и инновации
Отличительной чертой серии RCDB является передовая базовая технология и прочная конструкция.
1. Компьютерно-оптимизированная магнитная цепь – глубокое проникновение и высокая напряженность поля.
Магнитная цепь RCDB тщательно спроектирована с использованием компьютерного моделирования, что обеспечивает оптимизированное распределение поля, глубокое проникновение магнитного поля и высокий градиент, гарантирующий максимальное притяжение даже при значительных рабочих зазорах. Устройство надежно захватывает ферромагнитные частицы весом от 0,1 кг до 35 кг, смешанные с немагнитными материалами, достигая степени удаления железа более 95%. Будь то мелкая железная стружка или крупный механический лом, RCDB с легкостью справляется с этим.
2. Полностью герметичная самоохлаждающаяся конструкция – разработана для суровых условий эксплуатации.
Серия RCDB отличается полностью герметичным цельносварным стальным корпусом. Катушка и корпус соединены вакуумно-залитым эпоксидным клеем, а внутренняя часть отлита из специальной электротехнической изоляционной смолы, образуя полностью герметичную самоохлаждающуюся конструкцию. Такая конструкция обеспечивает превосходную водонепроницаемость, пылезащиту и коррозионную стойкость, позволяя осуществлять непрерывную и надежную работу даже в самых сложных условиях — таких как шахты, металлургические заводы и тепловые электростанции с высокой запыленностью. Благодаря минимальному количеству потенциальных точек отказа техническое обслуживание является простым и экономически эффективным.
3. Усовершенствованный контроль повышения температуры – увеличенный срок службы
В RCDB используется передовая технология контроля повышения температуры. При сохранении постоянного значения ампер-витков (I·N) количество витков катушки увеличивается, а плотность тока снижается, что значительно уменьшает тепловыделение. Это эффективно контролирует повышение температуры и существенно продлевает срок службы устройства. Также используются высокоэффективные изоляционные материалы и наполнитель из оксида магния, обеспечивающие превосходную изоляцию и теплоотвод. В результате RCDB обеспечивает значительное снижение повышения температуры на 19,1%, при этом интенсивность магнитного поля увеличивается на 43% в условиях высоких температур.
4. Широкий модельный ряд и сверхмощные магнитные опции.
Серия RCDB включает в себя широкий спектр моделей, рассчитанных на ширину ленты от 300 мм до 2000 мм и мощность возбуждения от 0,4 кВт до 18 кВт, что обеспечивает решение практически для любой производственной линии. Кроме того, доступны сверхмощные магнитные варианты, превосходящие стандартные характеристики: модели T1 обеспечивают 90 мТл, модели T2 — 120 мТл, а модели T3 — мощные 150 мТл, удовлетворяя даже самым высоким требованиям к удалению железа.
![]() ![]() | |||||||||||
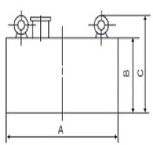
| Модель | Ширина ремня (мм) | Высота подвески (h=мм) | Толщина материала (≤мм) | Интенсивность магнитного поля (≥мТл) | Мощность двигателя (≤кВт) | Скорость ленты | Режим работы | Вес (кг) | Габаритные размеры (мм) | ||
| ≤ м/с | A | B | C | ||||||||
| RCDB-4 | 400 | 120 | 70 | 50 | 0,6 | 4.5 | непрерывный | 250 | 500 | 240 | 280 |
| RCDB-5 | 500 | 150 | 100 | 60 | 1 | 430 | 600 | 250 | 310 | ||
| RCDB-6 | 600 | 180 | 130 | 63 | 1.6 | 580 | 610 | 270 | 340 | ||
| RCDB-6.5 | 650 | 200 | 150 | 70 | 2 | 680 | 720 | 270 | 340 | ||
| RCDB-8 | 800 | 250 | 200 | 70 | 3.6 | 950 | 960 | 275 | 335 | ||
| RCDB-10 | 1000 | 300 | 250 | 70 | 5 | 1520 | 1200 | 320 | 420 | ||
| RCDB-12 | 1200 | 350 | 300 | 70 | 6.8 | 2250 | 1400 | 370 | 470 | ||
| RCDB-14 | 1400 | 400 | 350 | 70 | 9 | 2950 | 1650 | 405 | 500 | ||
| RCDB-16 | 1600 | 450 | 400 | 70 | 13 | 4800 | 1900 | 460 | 560 | ||
| RCDB-18 | 1800 | 500 | 450 | 70 | 18 | 6900 | 2150 | 570 | 630 | ||
| RCDB-20 | 2000 | 500 | 500 | 70 | 20 | 7500 | 2300 | 580 | 680 | ||
5. Гибкие возможности управления и автоматизации
Система RCDB предлагает гибкие возможности управления, поддерживая попеременную работу двух сепараторов или прерывистое возбуждение для поддержания работы в холодном состоянии со стабильным и мощным магнитным притяжением. Система совместима с программированием ПЛК для автоматизированной, регулируемой по времени разрядки железа. Дополнительные функции включают звуковые сигналы тревоги, контроль температуры катушки и весовые устройства, которые запускают приоритетную разрядку и сигнализацию при превышении предельных нагрузок — полностью удовлетворяя потребности интеллектуального современного производства.

1. Монтаж
Закрепите круглый подвесной магнитный сепаратор сухого типа над конвейером или системой подачи с помощью прилагаемых кронштейнов.
2. Подключение к электросети
Подключитесь к сети 220 В/380 В вашего предприятия; дополнительная система охлаждения не требуется.
3. Стартап
Включение системы осуществляется через интеллектуальную панель управления — система выполняет самодиагностику, после чего переходит в режим готовности.
4. Плановые проверки
Проверяйте температуру катушки и натяжение ленты каждые 1000 часов работы; благодаря автоматической выгрузке железа требуется минимальное техническое обслуживание.
III. Широкое промышленное применение
Благодаря исключительной эффективности удаления железа и прочной конструкции, серия RCDB играет незаменимую роль во многих отраслях промышленности:
- Угольная промышленность и тепловая энергетика – Удаляет примеси железа из сухого угля и кокса, защищая дробилки и измельчители.
- Металлургия и горное дело – Повышает извлечение и выход железа при обогащении железной руды, медного концентрата и других минералов.
- Цемент и строительные материалы – Размещены перед вальцовыми прессами и вертикальными мельницами для предотвращения повреждений и обеспечения стабильного производства.
- Химическая промышленность и производство стекла – Удаляет примеси железа из химического и стекольного сырья, повышая чистоту конечного продукта.
- Керамика и огнеупорные материалы – Отфильтровывает ферромагнитные вещества из абразивов и огнеупоров, гарантируя качество готовой продукции.
- Обработка твердых отходов и защита окружающей среды – Извлечение железа из бытовых и промышленных твердых отходов, поддержка переработки ресурсов.
- Пищевая и деревообрабатывающая промышленность – Удаляет примеси железа из сырья, обеспечивая безопасность пищевых продуктов и качество древесной продукции.

IV. Перспективы рынка и траектория роста
По мере развития промышленной автоматизации и ужесточения экологических норм во всем мире электромагнитное сепарационное оборудование продолжает приобретать все большее значение. Объем мирового рынка электромагнитных ленточных сепараторов в 2024 году оценивался примерно в 151 миллион долларов США и, по прогнозам, достигнет 192 миллионов долларов США к 2031 году, демонстрируя среднегодовой темп роста в 3,5%. Более широкий рынок магнитных сепараторов оценивался в 1,40 миллиарда долларов США в 2025 году и, как ожидается, вырастет до 2,21 миллиарда долларов США к 2032 году, демонстрируя среднегодовой темп роста в 6,69%. Китай, в частности, является быстрорастущим рынком, и китайские производители ленточных сепараторов активно расширяют свое присутствие за рубежом в Юго-Восточной Азии, на Ближнем Востоке, в Европе и Америке.
В этом постоянно меняющемся мире серия RCDB выделяется благодаря сочетанию передовой полностью герметичной конструкции, оптимизированных с помощью компьютера магнитных цепей и превосходного контроля температуры.

V. Почему стоит выбрать подвесной электромагнитный сепаратор железа RCDB?
Серия RCDB представляет собой эталон в области промышленного удаления железа, предлагая следующие преимущества:
- Непревзойденная магнитная сила – глубокое проникновение и высокий градиент.
- Надежная, полностью герметичная конструкция – водонепроницаемая, пылезащитная и коррозионностойкая.
- Усовершенствованный контроль повышения температуры – долговременная, стабильная работа.
- Широкая адаптивность – подходит для широкого диапазона ширины лент, типов материалов и условий окружающей среды.
- Гибкие возможности автоматизации – интеллектуальная работа с низкими требованиями к техническому обслуживанию.
Часто задаваемые вопросы
1. Каковы основные технические параметры установки RCDB? Насколько эффективно она удаляет железо?
Технические параметры варьируются в зависимости от конкретной модели, но ключевыми показателями являются полоса пропускания, высота подвеса и напряженность магнитного поля. Что касается производительности, он может эффективно удалять ферромагнитные материалы весом от 0,1 до 35 кг, при этом степень удаления железа обычно превышает 95%.
2. Как определить, ослабло ли магнитное притяжение магнитного сепаратора? Что следует предпринять?
Если вы обнаружили, что магнитная сила притяжения магнитного сепаратора снизилась, сначала проверьте, не изменилась ли высота подвеса или угол наклона сепаратора. Если да, незамедлительно внесите необходимые корректировки. Кроме того, длительная непрерывная работа оборудования может привести к повышению температуры, что также может снизить напряженность магнитного поля и повлиять на эффективность магнитоудаления.
3. Как следует проводить диагностику, если оборудование не включается или не имеет силы всасывания после включения?
В ситуации, когда оборудование не включается или не создает силы всасывания после включения, в первую очередь следует проверить следующее:
Проверьте, нет ли обрыва в обмотке катушки.
Проверьте, обеспечен ли хороший контакт соединительного кабеля от шкафа управления к магнитному сепаратору.
4. Как выбрать подходящую модель (например, RCDB-6, RCDB-10 и т. д.)?
Выбор модели в основном зависит от двух факторов: максимального размера частиц и толщины слоя материала, а также скорости и ширины конвейерной ленты. Например, в моделях RCDB-3–RCDB-6 для плавной регулировки возбуждения используются потенциометры, тогда как в моделях RCDB-6.5 и выше для регулировки рабочей мощности используются отводы трансформатора. Рекомендуется предоставить поставщику подробные рабочие параметры перед покупкой, чтобы получить точную рекомендацию по модели.
ТЕГИ :